円すいころ軸受の取付寸法
円すいころ軸受の取付寸法とは、軸受自体の境界寸法(d・D・T など)に加え、軸・ハウジング側の肩径、面取り(隅肉)半径、ナット・座金・シール等との干渉余裕まで含めて設計上確保すべき寸法群をいう。円すいころ軸受は円すい状の転動体と内外輪が線接触で荷重を受け、ラジアル荷重とスラスト荷重を同時支持できるため、組立時の軸方向位置決めと予圧設定が寸法管理の要点となる。
定義と規格枠組み
円すいころ軸受は一般に単列・複列があり、境界寸法および系列は国際規格(例:ISO 355 等)で体系化されている。設計では「カタログ値の境界寸法」と「取付側の必要最小/最大寸法」を分けて扱う。前者は軸受の基本形状寸法、後者は肩径や面取り半径、シール・ナットの逃げ寸法、工具挿入余裕などの周辺寸法である。
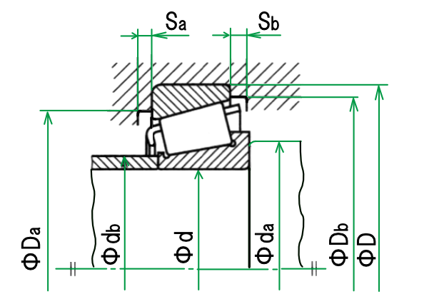
境界寸法の読み方
- d:内径(軸呼び径)。組立後のはめあいで実効寸法が決まる。
- D:外径(ハウジング呼び径)。外輪側の嵌合基準となる。
- B:コーン(内輪)幅。円すいころ列と保持器を含む内輪側の幅。
- C:カップ(外輪)幅。外輪単体の幅。
- T:総幅。B と C を合成した軸受全体の幅(単列で重要)。
- r、rs:内外輪端の面取り半径(隅肉半径)。取付側の肩Rはこれを超えない。
- da(min):内輪側の最小肩径。軸の段付き径がこの値以上で当たり面が確保される。
- Da(max):外輪側の最大肩径。ハウジング肩がこの値以下で干渉を避ける。
取付肩・面取り寸法
肩径は転動域に近接しつつも端面・面取りに干渉しないよう設定する。原則は「取付側の肩R ≦ 軸受の許容面取り半径 r」「軸段付き径(da)≧ カタログの da(min)」「ハウジング肩径(Da)≦ Da(max)」。肩端は片当たりを避けるため平面度・直角度・粗さを適正管理し、端面の面取りは半径でなく45°面取りとする場合も r 相当で評価する。
はめあいと公差等級
負荷が内輪に回転する場合は軸側をしまりばめ(例:k5/m5/n6 程度の考え方)、外輪はすきまばめ(H7 など)とするのが通例である。外輪側に回転負荷がある場合は逆とする。重荷重・衝撃・高温ではしまりを強め、精密回転では円筒度・真円度を優先ししまり過大を避ける。はめあいは取付寸法(da・Da)に直結するため、公差累積で肩干渉が起きないことを公差計算で確認する。
2個組合せ時の寸法管理(DB/DF/DT)
単列円すいころ軸受は2個組で用い、DB(バックトゥバック)・DF(フェイスツーフェイス)・DT(タンデム)で配置する。スペーサを介する場合、端面間寸法 a(内輪間/外輪間)を所定値に合わせることで軸方向すきままたは予圧が決まる。取付寸法表にある「組合せ寸法 Tpair」やスペーサ長さ差の管理がキーポイントである。
予圧と軸方向すきまの設定
円すいころ軸受はナット締付やスペーサ長で予圧を与える。方法は①所定軸方向変位量法(内輪を規定ストロークだけ引き込む)、②起動トルク法(所定レンジの回転トルクになるまで締める)、③温度上昇見込みを考慮した微小予圧設定など。過大予圧は発熱・早期剥離、過小は振れ・がたの増大につながるため、取付後の熱時の隙間ゼロ化までを含めて寸法設計する。
ナット・座金・シールの周辺寸法
固定ナット・座金は内輪端面からの突出と溝位置、キー折損の逃げを確保する。オイルシールはリップ接触径 d1・D1 とシールハウジング端の角部に干渉がないこと、r を超えないことを確認する。グリースポケットや油溝を設ける場合、端面・肩との最小肉厚が残るよう寸法余裕を取る。
番号体系と寸法系列
呼び番号は系列(例:302、303、313、320、322、323、330 等)と内径記号で構成され、系列により外径 D と幅 T の関係が異なる。例えば同じ d でも 322 は中幅、323 は厚幅系列に相当する。設計者は系列選定で軸受幅方向寸法(T)と肩径(da・Da)の取りやすさ、剛性・負荷容量のバランスを決める。
設計チェックリスト(取付寸法観点)
- r(許容面取り)より大きい肩Rを設けていないか。
- da(min)以上・Da(max)以下を満足し、工具・シールの逃げがあるか。
- はめあい等級により実効径が変化しても干渉しないか。
- ナット・座金の厚みと溝位置が端面干渉や座屈を生まないか。
- 2個組の a 寸法/スペーサ長で目標すきま・予圧になるか。
- 熱膨張差・荷重で T 方向に移動しても端面干渉がないか。
- 潤滑(油溝・給脂孔)に必要な肉厚とシールリップ位置を確保したか。
- 分解・再組立のための引抜き溝・工具挿入余裕を設けたか。
円すいころ軸受の取付寸法の例 軸受系列302

| d | D | da (最大) |
Da (最小) |
Db (最小) |
Sa (最小) |
Sb (最小) |
|---|---|---|---|---|---|---|
| 17 | 40 | 23 | 34 | 37 | 2 | 2 |
| 20 | 47 | 26 | 40 | 44 | 2 | 3 |
| 25 | 52 | 31 | 44 | 48 | 2 | 3 |
| 30 | 62 | 37 | 53 | 57 | 2 | 3 |
| 35 | 72 | 44 | 62 | 67 | 3 | 3 |
| 40 | 80 | 49 | 69 | 75 | 3 | 3.5 |
| 45 | 85 | 54 | 74 | 80 | 3 | 4.5 |
| 50 | 90 | 58 | 79 | 85 | 3 | 4.5 |
| 55 | 100 | 64 | 88 | 94 | 4 | 4.5 |
| 60 | 110 | 70 | 96 | 103 | 4 | 4.5 |
| 65 | 120 | 77 | 106 | 113 | 4 | 4.5 |
| 70 | 125 | 81 | 110 | 118 | 4 | 5 |
| 75 | 130 | 85 | 115 | 124 | 4 | 5 |
| 80 | 140 | 91 | 124 | 132 | 4 | 6 |
| 85 | 150 | 97 | 132 | 141 | 5 | 6.5 |
| 90 | 160 | 103 | 140 | 150 | 5 | 6.5 |
| 95 | 170 | 110 | 149 | 159 | 5 | 7.5 |
| 100 | 180 | 116 | 157 | 168 | 5 | 8 |
| 105 | 190 | 122 | 165 | 178 | 6 | 9 |
| 110 | 200 | 129 | 174 | 188 | 6 | 9 |
| 120 | 215 | 140 | 187 | 203 | 6 | 9.5 |
| 130 | 230 | 152 | 203 | 218 | 7 | 9.5 |
| 140 | 250 | 163 | 219 | 237 | 7* | 9.5 |
| 150 | 270 | 175 | 234 | 255 | 7* | 11 |
| d | D | da (最大) |
Da (最小) |
Db (最小) |
Sa (最小) |
Sb (最小) |
*は、これより大きな値を最小値とすることがある
円すいころ軸受の取付関係寸法 軸受系列322

| d | D | da (最大) |
Da (最小) |
Db (最小) |
Sa (最小) |
Sb (最小) |
|---|---|---|---|---|---|---|
| 30 | 62 | 37 | 52 | 58 | 2 | 4 |
| 35 | 72 | 43 | 61 | 67 | 3 | 5 |
| 40 | 80 | 48 | 68 | 75 | 3 | 5.5 |
| 45 | 85 | 53 | 73 | 81 | 3 | 5.5 |
| 50 | 90 | 58 | 78 | 85 | 3 | 5.5 |
| 55 | 100 | 63 | 87 | 95 | 4 | 5.5 |
| 60 | 110 | 69 | 95 | 104 | 4 | 5.5 |
| 65 | 120 | 75 | 104 | 115 | 4 | 5.5 |
| 70 | 125 | 80 | 108 | 119 | 4 | 6 |
| 75 | 130 | 85 | 114 | 125 | 4 | 6 |
| 80 | 140 | 90 | 122 | 134 | 4 | 7 |
| 85 | 150 | 96 | 130 | 142 | 5 | 8.5 |
| 90 | 160 | 102 | 138 | 152 | 5 | 8.5 |
| 95 | 170 | 108 | 145 | 161 | 5 | 8.5 |
| 100 | 180 | 114 | 154 | 171 | 5 | 10 |
| 105 | 190 | 119 | 161 | 180 | 6 | 10 |
| 110 | 200 | 126 | 170 | 190 | 6 | 10 |
| 120 | 215 | 136 | 181 | 204 | 6* | 11.5 |
| d | D | da (最大) |
Da (最小) |
Db (最小) |
Sa (最小) |
Sb (最小) |
*は、これより大きな値を最小値とすることがある
円すいころ軸受の取付関係寸法 軸受系列303

| d | D | da (最大) |
Da (最小) |
Db (最小) |
Sa (最小) |
Sb (最小) |
|---|---|---|---|---|---|---|
| 15 | 42 | 22 | 36 | 38 | 2 | 3 |
| 17 | 47 | 24 | 40 | 42 | 3 | 3 |
| 20 | 52 | 28 | 44 | 47 | 3 | 3 |
| 25 | 62 | 34 | 54 | 57 | 3 | 3 |
| 30 | 72 | 40 | 62 | 66 | 3 | 4.5 |
| 35 | 80 | 45 | 70 | 74 | 3 | 4.5 |
| 40 | 90 | 52 | 77 | 82 | 3 | 5 |
| 45 | 100 | 59 | 86 | 93 | 3 | 5 |
| 50 | 110 | 65 | 95 | 102 | 3 | 6 |
| 55 | 120 | 71 | 104 | 111 | 4 | 6.5 |
| 60 | 130 | 77 | 112 | 120 | 4 | 7.5 |
| 65 | 140 | 83 | 122 | 130 | 4 | 8 |
| 70 | 150 | 89 | 130 | 140 | 4 | 8 |
| 75 | 160 | 95 | 139 | 149 | 4 | 9 |
| 80 | 170 | 102 | 148 | 159 | 4 | 9.5 |
| 85 | 180 | 107 | 156 | 167 | 5 | 10.5 |
| 90 | 190 | 113 | 165 | 177 | 5 | 10.5 |
| 95 | 200 | 118 | 172 | 186 | 5* | 11.5 |
| 100 | 215 | 127 | 184 | 200 | 5* | 12.5 |
| 105 | 225 | 132 | 193 | 209 | 6* | 12.5 |
| 110 | 240 | 141 | 206 | 222 | 6* | 12.5 |
| 120 | 260 | 152 | 221 | 239 | 6* | 13.5 |
| d | D | da (最大) |
Da (最小) |
Db (最小) |
Sa (最小) |
Sb (最小) |
*は、これより大きな値を最小値とすることがある
円すいころ軸受の取付関係寸法 軸受系列303D

| d | D | da (最大) |
Da (最小) |
Db (最小) |
Sa (最小) |
Sb (最小) |
|---|---|---|---|---|---|---|
| 25 | 62 | 33 | 47 | 58.5 | 3 | 5 |
| 30 | 72 | 39 | 55 | 68 | 3 | 6.5 |
| 35 | 80 | 44 | 62 | 76.5 | 3 | 7.5 |
| 40 | 90 | 50 | 71 | 86.5 | 3 | 8 |
| 45 | 100 | 56 | 79 | 96 | 3 | 9 |
| 50 | 110 | 62 | 87 | 105 | 3 | 10 |
| 55 | 120 | 68 | 94 | 113 | 4 | 10.5 |
| 60 | 130 | 73 | 103 | 124 | 4 | 11.5 |
| 65 | 140 | 79 | 111 | 133 | 4 | 13 |
| 70 | 150 | 84 | 118 | 142 | 4 | 13 |
| d | D | da (最大) |
Da (最小) |
Db (最小) |
Sa (最小) |
Sb (最小) |
*は、これより大きな値を最小値とすることがある
円すいころ軸受の取付関係寸法 軸受系列323

| d | D | da (最大) |
Da (最小) |
Db (最小) |
Sa (最小) |
Sb (最小) |
|---|---|---|---|---|---|---|
| 20 | 52 | 27 | 43 | 47 | 3 | 4 |
| 25 | 62 | 32 | 52 | 57 | 3 | 5 |
| 30 | 72 | 38 | 59 | 66 | 3 | 5.5 |
| 35 | 80 | 43 | 66 | 74 | 3 | 7.5 |
| 40 | 90 | 50 | 73 | 82 | 3 | 8 |
| 45 | 100 | 56 | 82 | 93 | 3 | 8 |
| 50 | 110 | 62 | 90 | 102 | 3 | 9 |
| 55 | 120 | 68 | 99 | 111 | 4 | 10.5 |
| 60 | 130 | 74 | 107 | 120 | 4 | 11.5 |
| 65 | 140 | 80 | 117 | 130 | 4 | 12 |
| 70 | 150 | 86 | 125 | 140 | 4 | 12 |
| 75 | 160 | 91 | 133 | 149 | 4 | 13 |
| 80 | 170 | 98 | 142 | 159 | 4 | 13.5 |
| 85 | 180 | 102 | 150 | 167 | 5 | 14.5 |
| 90 | 190 | 108 | 157 | 177 | 5 | 14.5 |
| 95 | 200 | 113 | 166 | 186 | 5 | 16.5 |
| 100 | 215 | 121 | 177 | 200 | 5* | 17.5 |
| 105 | 225 | 128 | 185 | 209 | 6* | 18.5 |
| 110 | 240 | 135 | 198 | 222 | 6* | 19.5 |
| 120 | 260 | 145 | 213 | 239 | 6* | 21.5 |
| d | D | da (最大) |
Da (最小) |
Db (最小) |
Sa (最小) |
Sb (最小) |
*は、これより大きな値を最小値とすることがある
コメント(β版)