ゴム軸継手
ゴム軸継手は、2本の回転軸を弾性体で連結し、トルク伝達と同時にミスアライメントの許容、衝撃吸収、ねじり振動の減衰を実現する機械要素である。金属一体型継手に比べ、ねじり剛性が低くダンピングが大きいため、起動時や負荷変動時の衝撃トルクを緩和し、ギア・ポンプ・コンプレッサ・搬送機などの駆動系の寿命と静粛性を高めるのに適する。一般にハブ(ボス)と弾性エレメント(NBR、CR、EPDM、ウレタン等)で構成され、ハブと軸の固定にはキー・止めねじ・ボルトが用いられる。

Table Of Contents
構造と作動原理
ゴム軸継手は、弾性体エレメントが剪断・圧縮・ねじり変形することで入力側の角変位を出力側に伝える。弾性体の粘弾性に由来する複素剛性により、ねじり角速度に比例する減衰力が働き、トルク脈動や共振ピークを抑える。ミスアライメントは径方向偏心、角度ずれ、軸方向変位の3成分に分解され、弾性体の許容変位内であれば、軸受やシールへの過大荷重を回避できる。
主な特性値と設計指標
- 許容トルク Ta [N·m]:連続運転でエレメントが損傷しない上限。起動・衝撃時には短時間の過負荷許容が別途規定される。
- ねじり剛性 kt [N·m/rad]:共振回避やねじり応答の指標。低いほど緩衝効果は大きいがねじり変位は増える。
- 減衰係数 ct [N·m·s/rad]:振幅抑制の寄与。ゴム種・温度・周波数で変化する。
- 許容ミスアライメント:径方向 er [mm]、角度 θ [°]、軸方向 Δx [mm]。組付け時の残留偏差も含めて管理する。
- 使用温度範囲:典型に −20〜+80 °C 程度(材質依存)。高温は硬化、低温は脆化を招く。
- 耐環境性:油、薬品、オゾン、紫外線、水分に対する耐性は材質により大きく異なる。
種類(代表例)
- ジョー(クロー)型:2つの金属ハブの爪間にスパイダー状のゴム(またはウレタン)を挟む。構造が簡潔で保守が容易。
- ピン&ブッシュ型:ピンとブッシュゴムでせん断伝達。偏心・角度ずれに比較的強い。
- タイヤ型:輪状(タイヤ状)ゴムをフランジでクランプ。大きめのミスアライメントと減衰能力を確保。
- ドーナツ(リング)型:中空リングのせん断で伝達。コンパクトで防振性能とバランスを両立。
いずれも金属ディスク・歯車型に比べてねじり柔らかく、バックラッシュの小さい設計が可能である。選定時は構造差よりも、実機の荷重スペクトルと環境条件に対する適合性を重視する。
選定手順(実務プロセス)
- 必要トルク算出:T[N·m]=9550×P[kW]/n[rpm]。起動・加減速・逆転などのピークトルクも把握する。
- サービス係数の適用:負荷の平滑性、起動頻度、日稼働時間などから係数を掛け、必要定格を見積もる。
- ミスアライメント見積り:据付公差+運転時の熱変形・沈み込みを加味し、許容値内に収める。
- 軸径・ハブ締結:軸径、キー寸法、締結方法(キー、止めねじ、ボルト)の強度を確認する。
- 環境条件:温度、油・薬品、粉塵、水滴、屋外/屋内、オゾン暴露の有無を材料選定に反映する。
- バランス・周速:高回転では静/動バランスとエレメント周速限界を確認し、振動・発熱を抑制する。
材料と硬度(補足)
NBRは耐油性に優れ、CRは耐候性とバランス、EPDMは耐熱・耐候・耐水性に強い。ショアA硬度が高いほど kt は上がり変形は小さくなるが、減衰は低下しやすい。温度上昇で軟化・損失係数変化が生じるため、定常運転温度での特性曲線を参照する。
保全と故障モード
- 外観劣化:表面の亀裂(オゾンクラック)、膨潤(油・溶剤)、硬化・粉化(熱・紫外線)。
- 機能劣化:永久ひずみ増大、バックラッシュ増、ねじり剛性低下による共振点の移動。
- 破損:エレメントのせん断破断・剥離、ブッシュの摩耗、スパイダーの欠損。多くは過負荷とミスアライメント過大の併発が原因である。
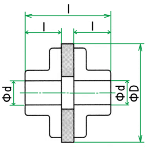
ゴム軸継手

| 呼び | 常用トルク T (N・m) |
軸穴 d 最大 直径 |
軸穴 d 最小 直径 |
軸穴 長さ l |
全長 L |
外径 (最大) D |
||||
|---|---|---|---|---|---|---|---|---|---|---|
| 10 | 10 | 16 | – | 25 | 56 | 63 | 71 | 80 | 63 | 100 |
| 20 | 20 | 20 | 12 | 31.5 | 71 | 80 | 90 | 100 | 80 | 125 |
| 40 | 40 | 25 | 16 | 40 | 90 | 100 | 112 | 125 | 100 | 160 |
| 80 | 80 | 32 | 20 | 50 | 112 | 125 | 140 | 160 | 125 | 200 |
| 160 | 160 | 40 | 25 | 56 | 140 | 160 | 180 | 200 | 160 | 250 |
| 315 | 315 | 50 | 32 | 63 | 160 | 180 | 200 | 224 | 200 | 315 |
| 630 | 630 | 63 | 40 | 80 | 200 | 224 | 250 | 280 | 250 | 400 |
| 1250 | 1250 | 80 | 50 | 100 | 250 | 280 | 315 | 355 | 315 | 500 |
| 2500 | 2500 | 100 | 63 | 125 | 315 | 355 | 400 | 450 | 400 | 630 |
| 5000 | 5000 | 125 | 80 | 140 | 355 | 400 | 450 | 500 | 500 | 800 |
| 7100 | 7100 | 140 | 90 | 160 | 400 | 450 | 500 | 560 | 560 | 900 |
| 10000 | 10000 | 160 | 100 | 180 | 450 | 500 | 560 | 630 | 630 | 1000 |
| 14000 | 14000 | 180 | 110 | 200 | 500 | 560 | 630 | 710 | 710 | 1120 |
| 20000 | 20000 | 200 | 125 | 224 | 560 | 630 | 710 | 800 | 800 | 1250 |
| 呼び | 常用トルク T (N・m) |
軸穴 d 最大 直径 |
軸穴 d 最小 直径 |
軸穴 長さ l |
全長 L |
外径 (最大) D |
||||
〔備考〕呼びにかっこを付けた寸法のものは、なるべく使用しない。
〔注〕全長Lおよび外径Dは、この中から選べばよい。