平行ピン
平行ピンとは、2つの部品の位置を正確に出すための機械要素で、一方の部品に平行ピンを打ち込み、他方の部品をそこにはめ込むことで位置決めを行う。組立精度が求められ、効率もよくなる。はめあいはF8h8が多い。
用途と機能
平行ピンは、二つ以上の部品を正確に組み立てたり、再現性の高い分解・組立てを行うために使用される。たとえば、金型や治具、機械フレームなどで、ボルトだけでは実現できない高精度の位置決めに寄与する。また、回転方向のずれを防ぐトルク伝達補助の役割を果たす場合もある。
昨日切削してたヤツ。平行ピンを入れて完成。針金を挟んで整形するための治具。 pic.twitter.com/M8YkWfHiue
— tomo makabe (@mkbtm) August 24, 2022
材質と表面処理
平行ピンの材質には、炭素鋼、合金鋼、ステンレス鋼が多く用いられる。特に摩耗や腐食が懸念される環境では、ステンレス鋼や窒化処理・硬質クロムメッキなどの表面処理が施されたものが選ばれる。これにより耐久性が向上し、長期間の使用に耐える。
コクサイ製パイソンのグリップを交換する際に、リバウンドレバーピンのやたらと長い頭が邪魔になります。
これは市販の3×10平行ピンに差し替えることで解決できます。
ピン軸受長さ=フレームの幅は9mmですが、左右片側0.5mm程度のはみ出しなので、グリップとのクリアランス内で吸収できます。 pic.twitter.com/AWIp6oOziR— Gun☆Monkey (@gunandmonkey) April 20, 2025
圧入とすきま
平行ピンは基本的に圧入して使用される。ピンの直径よりもやや小さな穴に打ち込むことで、高い保持力が得られる。一方で、分解・再利用を前提とする場合はすきまを設け、スムーズな脱着を可能にする。
テーパーピンとの違い
しばしば比較されるのがテーパーピンである。テーパーピンは軸方向に微細な傾斜を持つのに対し、平行ピンは全長にわたり直径が一定である。これにより、平行ピンは大量生産品の組み立てや、繰り返しの使用が前提となる構造物に適している。
はめあい
平行ピンは厳しい公差ではめあいを行う。加工工場では、F8公差リーマを所持しているところが多く、はめあいは、打ち込みピンにしっくり合わせるF8h8が適用できる。

穴加工
2つの穴は部品を組み立てて位置を出し、共加工で下穴を開け、個別にリーマ加工する。
組立による平行リーマでピン穴の立て直しです!
機械加工では刃物が切れていない等の理由で穴が小さくなってしまうことも⚠️
もちろん加工後に確認しなければいけませんが、相手部品との関係もあるから難しいところ????手で開ける時は水平に回していかないと大変なことに…???? pic.twitter.com/mpAW8k0g3E
— まさる部長@熱量高めな採用担当者 (@kyowa_ss) October 26, 2023
エア抜き
ピンには空気が溜まるため、それを抜くためのエア抜き(エアベント)溝つきのものがある。エア抜きがないものは、空気が圧縮して入りにくくなったり、また溜まった空気が熱で膨張したときに問題を起こすことがある。

挿入と抜き取りの方法
平行ピンの挿入には通常、ハンマや圧入機が用いられる。適正な穴径を保持しつつ、変形を避けて挿入することが重要である。抜き取りには専用のピンポンチやプーラーが使用され、機械や部品を損傷させないように慎重に行われる。
使用上の注意点
平行ピンを使用する際には、穴の寸法精度、表面粗さ、材料の硬度に注意する必要がある。不適切な圧入はピンや部品を損傷させる原因となり、精度を損なう。挿入後の脱落防止のため、ピン穴には適切な干渉を設けることが推奨される。
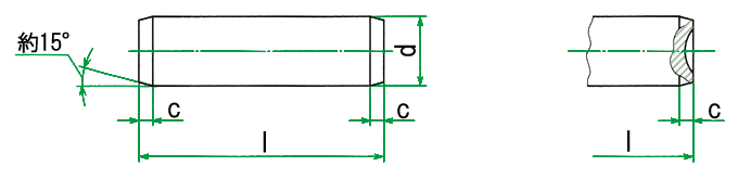
形状と規格
平行ピンはJIS B 1351などの工業規格に基づき製造されており、外径と長さの寸法が標準化されている。形状は円筒形で、先端が面取りされたものも多く、挿入時の傷つきを防止する。一般的な呼び径はφ1mmからφ20mm程度まであり、用途に応じた長さが用意されている。下記ではその参考寸法を記載したが、詳細はJISやメーカーカタログを確認すること。
平行ピンの形状と寸法

| 呼び径 | 0.6 | 0.8 | 1 | 1.2 | 1.5 | 2 | 2.5 | 3 | 4 | 5 | 6 | 8 | 10 | 12 | 16 | 20 | 25 | 30 | 40 | 50 |
|---|---|---|---|---|---|---|---|---|---|---|---|---|---|---|---|---|---|---|---|---|
| d 公差域クラス m6またはh8 |
0.6 | f | 1 | 1.2 | 1.5 | 2 | 2.5 | 3 | 4 | 5 | 6 | 8 | 10 | 12 | 16 | 20 | 25 | 30 | 40 | 50 |
| c 約 |
0.12 | 0.16 | 0.2 | 0.25 | 0.3 | 0.35 | 0.4 | 0.5 | 0.63 | 0.8 | 1.2 | 1.6 | 2 | 2.5 | 3 | 3.5 | 4 | 5 | 6.3 | 8 |
| 3 | 〇 | 〇 | ||||||||||||||||||
| 4 | 〇 | 〇 | 〇 | 〇 | 〇 | |||||||||||||||
| 5 | 〇 | 〇 | 〇 | 〇 | 〇 | |||||||||||||||
| 6 | 〇 | 〇 | 〇 | 〇 | 〇 | 〇 | 〇 | |||||||||||||
| 8 | 〇 | 〇 | 〇 | 〇 | 〇 | 〇 | 〇 | 〇 | ||||||||||||
| 10 | 〇 | 〇 | 〇 | 〇 | 〇 | 〇 | 〇 | 〇 | ||||||||||||
| 12 | 〇 | 〇 | 〇 | 〇 | 〇 | 〇 | 〇 | 〇 | ||||||||||||
| 14 | 〇 | 〇 | 〇 | 〇 | 〇 | 〇 | 〇 | 〇 | ||||||||||||
| 16 | 〇 | 〇 | 〇 | 〇 | 〇 | 〇 | 〇 | 〇 | ||||||||||||
| 18 | 〇 | 〇 | 〇 | 〇 | 〇 | 〇 | 〇 | 〇 | ||||||||||||
| 20 | 〇 | 〇 | 〇 | 〇 | 〇 | 〇 | 〇 | 〇 | ||||||||||||
| 22 | 〇 | 〇 | 〇 | 〇 | 〇 | 〇 | 〇 | 〇 | ||||||||||||
| 24 | 〇 | 〇 | 〇 | 〇 | 〇 | 〇 | 〇 | 〇 | ||||||||||||
| 26 | 〇 | 〇 | 〇 | 〇 | 〇 | 〇 | 〇 | 〇 | ||||||||||||
| 28 | 〇 | 〇 | 〇 | 〇 | 〇 | 〇 | 〇 | 〇 | ||||||||||||
| 30 | 〇 | 〇 | 〇 | 〇 | 〇 | 〇 | 〇 | 〇 | ||||||||||||
| 32 | 〇 | 〇 | 〇 | 〇 | 〇 | 〇 | 〇 | |||||||||||||
| 35 | 〇 | 〇 | 〇 | 〇 | 〇 | 〇 | 〇 | 〇 | ||||||||||||
| 40 | 〇 | 〇 | 〇 | 〇 | 〇 | 〇 | 〇 | 〇 | ||||||||||||
| 45 | 〇 | 〇 | 〇 | 〇 | 〇 | 〇 | 〇 | |||||||||||||
| 50 | 〇 | 〇 | 〇 | 〇 | 〇 | 〇 | 〇 | 〇 | ||||||||||||
| 55 | 〇 | 〇 | 〇 | 〇 | 〇 | 〇 | 〇 | |||||||||||||
| 60 | 〇 | 〇 | 〇 | 〇 | 〇 | 〇 | 〇 | 〇 | ||||||||||||
| 65 | 〇 | 〇 | 〇 | 〇 | 〇 | 〇 | 〇 | |||||||||||||
| 70 | 〇 | 〇 | 〇 | 〇 | 〇 | 〇 | 〇 | |||||||||||||
| 75 | 〇 | 〇 | 〇 | 〇 | 〇 | 〇 | 〇 | |||||||||||||
| 80 | 〇 | 〇 | 〇 | 〇 | 〇 | 〇 | 〇 | 〇 | ||||||||||||
| 85 | 〇 | 〇 | 〇 | 〇 | 〇 | 〇 | 〇 | |||||||||||||
| 95 | 〇 | 〇 | 〇 | 〇 | 〇 | 〇 | 〇 | 〇 | ||||||||||||
| 100 | 〇 | 〇 | 〇 | 〇 | 〇 | 〇 | 〇 | |||||||||||||
| 120 | 〇 | 〇 | 〇 | 〇 | 〇 | 〇 | 〇 | |||||||||||||
| 140 | 〇 | 〇 | 〇 | 〇 | 〇 | 〇 | 〇 | |||||||||||||
| 160 | 〇 | 〇 | 〇 | 〇 | 〇 | 〇 | ||||||||||||||
| 180 | 〇 | 〇 | 〇 | 〇 | 〇 | 〇 | ||||||||||||||
| 200 | 〇 | 〇 | 〇 | 〇 | 〇 | |||||||||||||||
| 呼び径 | 0.6 | 0.8 | 1 | 1.2 | 1.5 | 2 | 2.5 | 3 | 4 | 5 | 6 | 8 | 10 | 12 | 16 | 20 | 25 | 30 | 40 | 50 |
2-200は呼び長さlの寸法である。
dの公差域クラスm6およびh8は、JIS B 0401-2による。
なお、受渡当事者間の協定によって、他の公差域クラスを用いることができる。