機械要素

工学

こう配キー|テーパ構造で固定力を高めるキー要素

こう配キーこう配キーとは、機械の回転軸と歯車やプーリーなどの機械要素を結合する際に用いられる機械要素の一種であり、テーパ(傾斜)形状をもつキーである。主に中小型の軸機構に使用され、軸方向に圧入または打ち込みによって取り付けられる。標準的なキ...
工学

動力制御要素|ばねやブレーキなどの機械要素

動力制御要素動力制御要素は、部品から部品に伝わる動力・運動エネルギーを蓄積・制御するための機械要素である。ばねというなで知られ、機械の様々なところで使われる。その他、ブレーキ(運動エネルギーを、摩擦エネルギーなどのほかのエネルギーに変換する...
工学

ギア|回転運動やトルクを伝達するための機械要素

ギアギアとは、歯車を用いて回転運動やトルクを伝達するための機械要素であり、産業機械から自動車、家電製品に至るまで幅広い分野で利用される重要な部品である。噛み合う歯の形状や配置によって動力を正確に伝達できるため、多段変速や回転速度の制御が必要...
工学

伝動軸|回転力を伝えるための軸

伝動軸 伝動軸とは、回転力を伝えるための軸で、回転しながらねじりモーメントによって仕事を伝達する。しばしば伝動軸は軸受や歯車に圧入し、伝動軸とともに回転する。回転とともに大きなトルクがかかるため、鋼、アルミ、チタン、カーボンなど強度の高い材...
工学

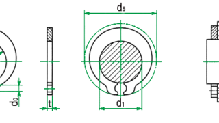
C形穴用同心止め輪|穴にスナップして同心度を保つ薄型留め輪

C形穴用同心止め輪C形穴用同心止め輪とは、筒状または平板状の部品に穿孔された穴に装着し、穴の内周面に沿って固定することによって位置決めや保持を行うための締結部品である。C字型に切り欠かれた形状を持ち、内径側でしっかりと噛み合う構造が特徴であ...
工学

グリップ止め輪|機械部品の軸固定に応用される保持リング

グリップ止め輪グリップ止め輪とは、主に軸やシャフトの周囲に装着して固定や回転の抑制を行うために使用される部品である。本体が弾性を持つため、取り付けた部分に摩擦力を与え、軸方向へのずれを防止する働きを果たす。こうした機械要素は産業機器、自動車...
工学

スタッドボルト|ねじ部が両端に切られた棒状のねじ

スタッドボルトスタッドボルトとは、ねじ部が両端に切られた棒状の締結部品であり、片側を部品や機械本体に固定し、もう片側をナットで締め付けることで強力かつ安定した結合を得る機械要素である。エンジンや配管フランジといった高温高圧の環境下で用いられ...
工学

ころ軸受|回転を支える基本要素

ころ軸受工業製品や機械装置において、回転軸を支持し、摩擦を低減させる役割を担う部品がころ軸受である。これは「転がり軸受」の一種であり、内輪と外輪の間に設けられたころ(円筒や球状に近い転動体)が転がることによって回転を支える。ころ軸受は、滑り...
工学

動力伝達要素|軸、カム、歯車などの機械要素

動力伝達要素動力伝達要素とは、モータやエンジンなどのの動力を、他の部品や機構に効率的に伝えるための機械要素である。軸やカム、歯車に代表される。これらはエネルギーの種類(回転運動、直線運動)、伝達方式(摩擦式、かみ合い式)、材質、設置環境など...
工学

ウォームギヤ|摩擦で力を伝える仕組み

ウォームギヤ ウォームギヤとは、ねじ形状の歯車であるウォームと、これに噛み合うウォームホイールから構成される伝動機構である。この機構は、入力軸と出力軸が直交する形で配置されるのが特徴であり、比較的コンパクトな構造で大きな減速比を得られる点に...