工具

工学

ダイヤモンド膜|高硬度・高熱伝導を持つ多用途の薄膜技術

ダイヤモンド膜ダイヤモンド膜は、ダイヤモンドの薄膜を基材にコーティングする技術であり、その高硬度、耐摩耗性、熱伝導性の特性を活用することを目的としている。ダイヤモンドは自然界で最も硬い物質であり、その薄膜を工業製品に応用することで、工具の寿...
工学

けがき|加工基準を示すために素材に線を描く作業

けがきけがき(罫書き)とは、加工前に工作物の表面に、加工位置等の目印となるように線を引く作業である。ケガキ線ともいわれる。加工する製品の精度や材質によって、鉛筆でなぞる方法、けがき針・鋼尺、けがきコンパス、トースカン、ハイトゲージなどを使い...
工学

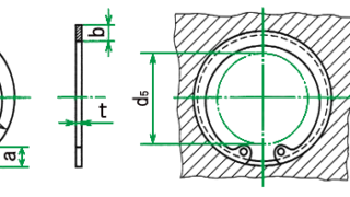
C形穴用偏心止め輪|C形穴の内部で偏心構造を用いて強力に固定

C形穴用偏心止め輪C形穴用偏心止め輪とは、主にC字形状をした穴に組み込むことで軸や部品を確実に固定・保持するための機械要素である。通常の止め輪と異なり、リングがわずかに偏心している構造が特徴であり、組付け後に適切な締付力を発生させることで、...
工学

ダイス(工具)|円筒形の棒や管に外部ねじに使用する工具

ダイス(工具) ダイスは、ねじ切り工具の一種で、円筒形の棒や管にねじを切るための工具である。通常、丸いまたは六角形の金属製の工具であり、外周にねじの形状に対応する刃が刻まれている。ねじの規格やサイズに応じて異なる種類が存在するが、通常、大径...
工学

ドライバー(工具)|運転や工具など多様な場面で活躍する

ドライバードライバーは、ねじ頭にトルクを与えて締結・緩めを行う手工具である。一般に軸(シャンク)と先端ビット、把持部(ハンドル)から構成され、先端形状をねじの座ぐり(リセス)形状に精密適合させることで効率よく力を伝達する。用途は製造、保全、...
工学

ドリル|らせん状の溝と切れ刃がある工具

ドリルドリルは、穴を開けるために使用される工具である。らせん状の溝と切れ刃があり、回転することで部材に穴を空けることができる。金属、木材、プラスチックなどの様々な材料に対して使用されることが多い。ドリルには手動式と電動式があり、作業内容や使...
工学

クランプ|物を固定するための工具で精度を高める

クランプクランプとは、物を固定するための工具または装置である。主に木材や金属の加工時に使用され、作業中に部材が動かないようにしっかりと保持する役割を果たす。クランプは作業の精度を高め、安全に加工を行うために必要不可欠な道具である。用途に応じ...
工学

炭素工具鋼|工具や型に特化した高硬度鋼材

炭素工具鋼(SK)炭素工具鋼(SK)は、刃物や工具の製造に使用される高炭素鋼である。炭素工具鋼(SK)は、優れた硬度と耐摩耗性を持つことから、切削工具や耐摩耗性部品、精密機械部品に広く利用されている。一般的には炭素含有量が0.6%から1.5...
工学

タップ(工具)|めねじを作るために行われる工具

タップ(工具)タップは、金属やプラスチックなどの材料にめねじを作るために行われる工具である。タップでねじ穴を作ることを“タップを立てる”という。一般には、手作業でねじ立てを行い、3種類のハンドタップを用いる。ドリルで空けた穴に対して、最初に...
工学

構成刃先|工具刃先に切り屑が固着して形成される刃先

構成刃先構成刃先とは、切削加工において、工具の刃先に切りくずの一部が強く付着して、刃先のような役割を果たす現象である。この構成刃先は、主に被削材の金属が塑性変形を起こし、刃先に押し付けられることで形成される現象である。構成刃先は加工が進むに...